产品图

产品尺寸图

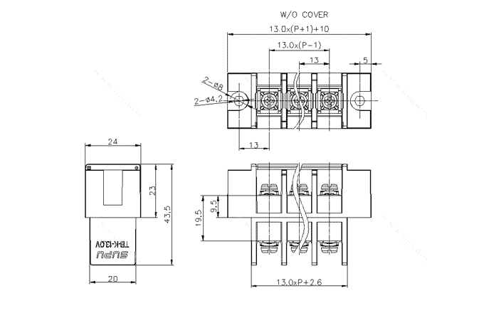
栅栏式端子

TB-K-13.0V06C-001

间距:13.0mm,额定电压UL600V,额定电流UL40A,颜色:黑,导线截面积22-8AWG

参数

  • 产品型号
    TB-K-13.0V06C-001
  • 产品间距
    13.0
  • 产品层数
    单层
  • 接线位数
    6
  • 接线方式
    螺钉接线
  • 防护等级
    IP20
  • 工作温度
    -30°C ~+120°C
  • 绝缘材料
    PBT+GF
  • 绝缘材料组别
  • 导电体材料
    Copper alloy
  • 导电体表面镀层
    Sn plated
  • 安装方式
    螺钉安装
  • 类别
    贯穿式

技术数据

  • 额定电流(IEC)
    40/40/40
  • 额定电压(IEC)
    800/1000/1000
  • 过压类别
    Ⅲ/Ⅲ/Ⅱ
  • 污染等级
    3/2/2
  • 额定冲击电压
    8
  • 剥线长度
    11-12
  • 紧固扭矩(Lb.in)
    10.53
  • 导线截面积(AWG)
    22-8

商业数据

  • 订货号
    TB-K-13.0V06C-001