产品图

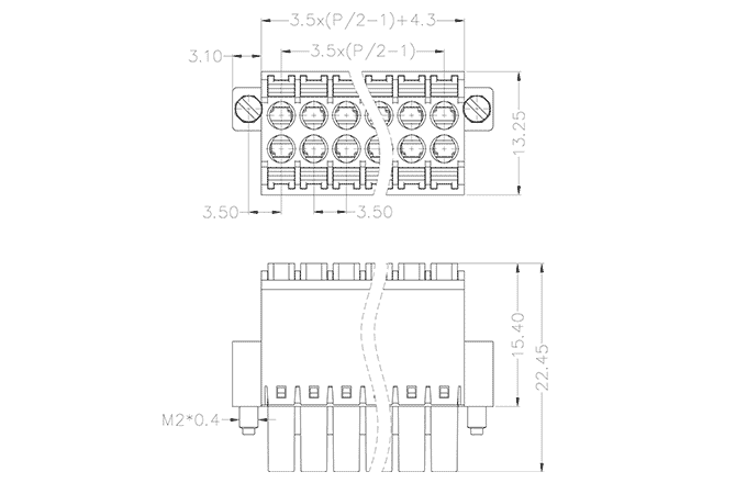
产品尺寸图

插拔式端子-插头

MC-DRT3.5H06P-K-0001

间距:3.5mm 额定电压:150V 额定电流:8A 连接方式: 直插弹簧接线 颜色:可定制
颜色

参数

  • 产品型号
    MC-DRT3.5H06P-K-0001
  • 产品间距
    3.5
  • 产品层数
    双层
  • 接线位数
    6
  • 接线方式
    直插弹簧接线
  • 防护等级
    IP20
  • 工作温度
    -40~+105℃
  • 绝缘材料
    PA66
  • 绝缘材料组别
  • 导电体材料
    Copper alloy
  • 导电体表面镀层
    Sn,Plated
  • 颜色
    绿/黑/蓝/灰/橙/红

技术数据

  • 额定电流(IEC)
    8A
  • 额定电压(IEC)
    150V
  • 过压类别
    Ⅲ/Ⅲ/Ⅱ
  • 污染等级
    3 2 2
  • 额定冲击电压
    2.5KV 2.5KV 2.5KV
  • 额定电流(UL)
    8A 8A 8A
  • 额定电压(UL)
    150V 150V 150V
  • 硬导线截面积
    0.2-1.5mm²
  • 柔性导线截面积
    0.2-1.5mm²
  • 柔性导线截面积,带绝缘管套
    0.2-1.5mm²
  • 锁线螺钉规格
  • 锁线螺钉扭矩
  • 固定螺钉规格
    M2.0
  • 固定螺钉扭矩
    0.2-0.25N.m
  • 剥线长度
    9-10mm
  • 使用组别
    B/C/D
  • 额定接线容量
    24~16AWG

商业数据

  • 订货号
    MC-DRT3.5H06P-K-0001

认证