产品图

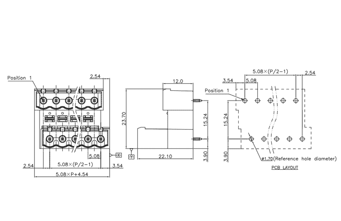
产品尺寸图

插拔式端子-插座

MC-DPAB5.08V18-0001

间距:5.08mm 额定电压:250V 额定电流:10A 颜色:可定制
颜色

参数

  • 产品型号
    MC-DPAB5.08V18-0001
  • 产品间距
    5.08
  • 接线位数
    18
  • 接线方式
  • 防护等级
    IP20
  • 工作温度
    -40~+105℃
  • 绝缘材料
    PA66
  • 绝缘材料组别
  • 导电体材料
    Copper alloy
  • 导电体表面镀层
    Sn,Plated
  • 颜色
    绿/黑/蓝/灰/橙/红

技术数据

  • 额定电流(IEC)
    10A
  • 额定电压(IEC)
    250V
  • 过压类别
  • 污染等级
    3
  • 额定冲击电压
    4.0KV
  • 额定电流(UL)
    15A – 15A
  • 额定电压(UL)
    300V – 307V
  • 硬导线截面积
  • 柔性导线截面积
  • 柔性导线截面积,带绝缘管套
  • 锁线螺钉规格
  • 锁线螺钉扭矩
  • 固定螺钉规格
  • 固定螺钉扭矩
  • 剥线长度
  • 使用组别
    B/C/D
  • 额定接线容量

商业数据

  • 订货号
    MC-DPAB5.08V18-0001

认证