产品图

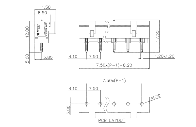
产品尺寸图

插拔式端子-插座

475714-05D

间距:7.5mm 额定电压:630V 额定电流:16A 颜色:灰
颜色

参数

  • 产品型号
    475714-05D
  • 产品间距
    7.5
  • 产品层数
    单层
  • 接线位数
    14
  • 接线方式
  • 防护等级
    IP20
  • 工作温度
    -40~+105℃
  • 绝缘材料
    PA66
  • 绝缘材料组别
  • 导电体材料
    Copper alloy
  • 导电体表面镀层
    Sn,Plated
  • 颜色
    灰色

技术数据

  • 额定电流(IEC)
    16A
  • 额定电压(IEC)
    630V
  • 过压类别
    Ⅲ Ⅲ Ⅱ
  • 污染等级
    3 2 2
  • 额定冲击电压
    6.0KV 6.0KV 6.0KV
  • 硬导线截面积
  • 柔性导线截面积
  • 柔性导线截面积,带绝缘管套
  • 锁线螺钉规格
  • 锁线螺钉扭矩
  • 固定螺钉规格
  • 固定螺钉扭矩
  • 剥线长度
  • 使用组别
    B/C/D
  • 额定接线容量

商业数据

  • 订货号
    475714-05D

认证